Wound bearing >> Inch pull D 3-3 1/2 inch
Inch pull D 3-3 1/2 inch
Contact us

European Bearing Company, Ltd

Tel:+86 138 1864 4961, +86 131 2063 6066

E-Mail:info@eubeco.com

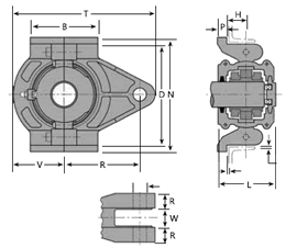
Dimension and Parameters
  Shaft diameter number B
mm
N
mm
D
mm
A
mm
T
mm
X
mm
V
mm
K
mm
P
mm
H
mm
W
mm
R
mm
L
mm
Weight complete bearing (1)
  d
mm
Complete set of bearings (1) Winding bearing pedestal only kg
INFO 3 100 BCTT 300 TT03 128 235 203 146 280 24 102 30 20 32 30 29 104 13
INFO 3 01E BCTT 300 TT04 152 266 229 158 305 24 114 35 22 40 30 32 114 19
INFO 3 02 BCTT 300 TT05 190 318 280 190 368 30 140 41 22 40 38 35 140 30
INFO 3 3/16 01E BCTT 303 TT05 190 318 280 190 368 30 140 40 22 40 38 35 136 30
INFO 3 3/16 02 BCTT 303 TT06 204 342 305 210 414 36 152 48 22 43 44 35 154 34
INFO 3 1/4 01E BCTT 304 TT05 190 318 280 190 368 30 140 40 22 40 38 35 136 30
INFO 3 1/4 02 BCTT 304 TT06 204 342 305 210 414 36 152 48 22 43 44 35 154 34
INFO 3 7/16 100 BCTT 307 TT04 152 266 229 158 305 24 114 35 22 40 30 32 114 19
INFO 3 7/16 01E BCTT 307 TT05 190 318 280 190 368 30 140 40 22 40 38 35 136 30
INFO 3 7/16 02 BCTT 307 TT06 204 342 305 210 414 36 152 48 22 43 44 35 154 34
INFO 3 1/2 01E BCTT 308 TT05 190 318 280 190 368 30 140 40 22 40 38 35 136 30
INFO 3 1/2 02 BCTT 308 TT06 204 342 305 210 414 36 152 48 22 43 44 35 154 34
INFO 3 100 BCTT 300 TT03 128 235 203 146 280 24 102 30 20 32 30 29 104 13
INFO 3 01E BCTT 300 TT04 152 266 229 158 305 24 114 35 22 40 30 32 114 19
INFO 3 02 BCTT 300 TT05 190 318 280 190 368 30 140 41 22 40 38 35 140 30
INFO 3 3/16 01E BCTT 303 TT05 190 318 280 190 368 30 140 40 22 40 38 35 136 30
INFO 3 3/16 02 BCTT 303 TT06 204 342 305 210 414 36 152 48 22 43 44 35 154 34
INFO 3 1/4 01E BCTT 304 TT05 190 318 280 190 368 30 140 40 22 40 38 35 136 30
INFO 3 1/4 02 BCTT 304 TT06 204 342 305 210 414 36 152 48 22 43 44 35 154 34
INFO 3 7/16 100 BCTT 307 TT04 152 266 229 158 305 24 114 35 22 40 30 32 114 19
INFO 3 7/16 01E BCTT 307 TT05 190 318 280 190 368 30 140 40 22 40 38 35 136 30
INFO 3 7/16 02 BCTT 307 TT06 204 342 305 210 414 36 152 48 22 43 44 35 154 34
INFO 3 1/2 01E BCTT 308 TT05 190 318 280 190 368 30 140 40 22 40 38 35 136 30
INFO 3 1/2 02 BCTT 308 TT06 204 342 305 210 414 36 152 48 22 43 44 35 154 34
2026 European Bearing Company, Ltd