Wound bearing >> Inch pull D 4 7/16-5 3/16 inch
Inch pull D 4 7/16-5 3/16 inch
Contact us

European Bearing Company, Ltd

Tel:+86 138 1864 4961, +86 131 2063 6066

E-Mail:info@eubeco.com

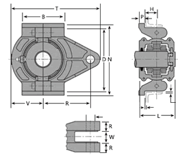
Dimension and Parameters
  Shaft diameter number B
mm
N
mm
D
mm
A
mm
T
mm
X
mm
V
mm
P
mm
H
mm
W
mm
R
mm
L
mm
Weight complete bearing (1)
  d
mm
Complete set of bearings (1) Winding bearing pedestal only kg
INFO 4 7/16 100 BCTT 407 TT06 204 342 305 210 414 36 152 22 43 44 35 134 33
INFO 4 7/16 01 BCTT 407 TT07 216 382 343 228 445 42 162 22 48 44 41 142 51
INFO 4 7/16 02 BCTT 407 TT08 254 420 381 260 508 42 190 25 51 44 44 162 71
INFO 4 1/2 100 BCTT 408 TT06 204 342 305 210 414 36 152 22 43 44 35 134 33
INFO 4 1/2 01 BCTT 408 TT07 216 382 343 228 445 42 162 22 48 44 41 142 51
INFO 4 1/2 02 BCTT 408 TT08 254 420 381 260 508 42 190 25 51 44 44 162 71
INFO 4 15/16 100 BCTT 415 TT07 216 382 343 228 445 42 162 22 48 44 41 142 47
INFO 4 15/16 01 BCTT 415 TT08 254 420 381 260 508 42 190 25 51 44 44 156 71
INFO 4 15/16 02 BCTT 415 TT10 266 464 426 280 546 48 204 25 57 50 51 184 100
INFO 5 100 BCTT 500 TT07 216 382 343 228 445 42 162 22 48 44 41 142 47
INFO 5 01 BCTT 500 TT08 254 420 381 260 508 42 190 25 51 44 44 156 71
INFO 5 02 BCTT 500 TT10 266 464 426 280 546 48 204 25 57 50 51 184 100
INFO 5 3/16 01 BCTT 503 TT09 266 438 400 266 514 42 196 25 54 44 48 168 89
INFO 5 3/16 02 BCTT 503 TT30 280 502 464 298 584 48 222 25 60 50 54 188 119
INFO 4 7/16 100 BCTT 407 TT06 204 342 305 210 414 36 152 22 43 44 35 134 33
INFO 4 7/16 01 BCTT 407 TT07 216 382 343 228 445 42 162 22 48 44 41 142 51
INFO 4 7/16 02 BCTT 407 TT08 254 420 381 260 508 42 190 25 51 44 44 162 71
INFO 4 1/2 100 BCTT 408 TT06 204 342 305 210 414 36 152 22 43 44 35 134 33
INFO 4 1/2 01 BCTT 408 TT07 216 382 343 228 445 42 162 22 48 44 41 142 51
INFO 4 1/2 02 BCTT 408 TT08 254 420 381 260 508 42 190 25 51 44 44 162 71
INFO 4 15/16 100 BCTT 415 TT07 216 382 343 228 445 42 162 22 48 44 41 142 47
INFO 4 15/16 01 BCTT 415 TT08 254 420 381 260 508 42 190 25 51 44 44 156 71
INFO 4 15/16 02 BCTT 415 TT10 266 464 426 280 546 48 204 25 57 50 51 184 100
INFO 5 100 BCTT 500 TT07 216 382 343 228 445 42 162 22 48 44 41 142 47
INFO 5 01 BCTT 500 TT08 254 420 381 260 508 42 190 25 51 44 44 156 71
INFO 5 02 BCTT 500 TT10 266 464 426 280 546 48 204 25 57 50 51 184 100
INFO 5 3/16 01 BCTT 503 TT09 266 438 400 266 514 42 196 25 54 44 48 168 89
INFO 5 3/16 02 BCTT 503 TT30 280 502 464 298 584 48 222 25 60 50 54 188 119
2026 European Bearing Company, Ltd