d 240-900mm
Contact us

European Bearing Company, Ltd

Tel:+86 138 1864 4961, +86 131 2063 6066

E-Mail:info@eubeco.com

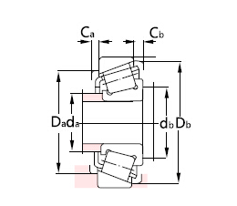
Dimension and Parameters
  Basic dimension mm Basic rated load Rated speed Code Installation related dimension mm Calculation coefficient Mass kg
  d D T B C R radial (minimum) R axis (minimum) R radial (minimum) R axial (minimum) Dynamic ckn Static cokn Reference speed Limiting speed damax dbmin Damin Damax Dbmin Camin Cbmin e Y Yo a
INFO 240 320 51 51 39 3 2.5 3 2.5 624 1080 1400 1700 32948 255 256 294 306 311 9 12 0.46 1.3 0.7 64 11
INFO - - - - - - - - - - - - - - - - - - - - - - - - - -
INFO 240 360 76 76 57 4 3 4 3 989 1800 1200 1600 32048X 262 258 318 345 346 12 19 0.46 1.3 0.7 77 26.5
INFO 240 360 76 76 57 4 4 3 3 768 1414 850 1200 32048SY 261 254 318 346 346 12 19 0.31 1.9 1.05 63 24.7
INFO 240 440 127 120 100 5 4 5 4 1918 3350 1000 1300 32248 276 262 365 420 415 7 27 0.43 1.4 0.8 105 81.5
INFO 254 422.275 86.1 79.8 66.7 4.7 4.7 2.5 2.5 1011 1762 710 900 306/254 297 270 370 413 399 13 19 0.36 1.7 0.9 80 45.4
INFO 260 360 63.5 63.5 48 3 2.5 3 2.5 910 1530 1300 1600 32952 280 276 328 345 347 11 15.5 0.4 1.5 0.8 68 19
INFO 260 400 87 87 65 5 4 5 4 1241 2200 1100 1400 32052X 288 281 352 382 383 14 22 0.43 1.4 0.8 84 38
INFO 260 480 137 130 106 5 5 5 4 2340 3650 900 1200 32252 303 286 401 458 454 10 31 0.43 1.4 0.8 112 105
INFO 280 380 63.5 63.5 48 3 2.5 3 2.5 950 1660 1200 1400 32956 299 297 348 365 368 11 15.5 0.43 1.4 0.8 74 20
INFO 280 420 87 87 65 5 4 5 4 1288 2360 1000 1300 32056X 306 301 370 402 402 14 22 0.46 1.3 0.7 89 40.5
INFO 300 420 76 76 57 4 3 4 3 1126 2240 950 1300 32960 325 319 383 404 405 13 19 0.4 1.5 0.8 79 31.5
INFO 300 460 100 100 74 5 4 4 3 1644 3000 900 1200 32060X 330 322 404 440 439 10 26 0.43 1.4 0.8 97 58
INFO 320 440 76 76 57 4 3 3 2.5 1156 2360 900 1200 32964 343 337 402 424 426 9 19 0.43 1.4 0.8 84 33.5
INFO 320 480 100 100 74 5 4 4 3 1663 3100 850 1100 32064X 350 342 424 460 461 10 26 0.46 1.3 0.7 103 64
INFO 340 460 76 76 57 4 3 3 2.5 1163 2400 850 1200 32968 361 357 421 444 446 14 19 0.44 1.35 0.8 90 35
INFO 340 520 86 82 64 6 6 5 5 1350 2430 540 760 31068X2 - - - - - - - 0.3 - - - 59.5
INFO 360 480 76 76 57 4 3 3 2.5 1191 2550 800 1100 32972 380 377 439 464 466 10 19 0.46 1.3 0.7 96 37
INFO 360 540 100.7 95 77 6 6 6 6 1650 2540 470 600 32072 - - - - - - - 0.37 - - - 70.8
INFO 400 600 95 95 70 6 6 6 6 930 2060 400 500 31080X2 - - - - - - - 0.31 - - - 85.2
INFO 420 620 95 90 67 5 5 5 5 1560 2930 380 480 31084X2 470 436 552 605 586 13 28 0.41 1.5 0.8 111 88.3
INFO 460 680 105 100 78 6 6 6 6 1900 3700 330 440 31092X2 - - - - - - - 0.31 - - - 114
INFO 500 720 100 92 78 6 6 6 6 1980 3900 180 290 310/500 - - - - - - - 0.34 - - - 117.4
INFO 560 750 85 85 64 6 6 6 6 1730 3650 160 260 319/560 - - - - - - - 0.43 - - - 89.7
INFO 600 870 124 118 89 6 6 6 6 3100 6200 140 210 319/600 - - - - - - - 0.41 - - - 226
INFO 710 950 114 106 80 6 6 6 6 2860 6900 260 360 319/710 - - - - - - - 0.46 - - - 208
INFO 760 890 78 75 59 4.7 4.7 4.7 4.7 1241 3519 130 170 306/760/HC 785 776 393 870 870 13 22 0.32 1.9 1.04 71 78.3
INFO 900 1280 190 170 135 7.5 7.5 7.5 7.5 5860 14607 95 130 310/900 990 920 1142 1230 1265 13 55 0.44 1.4 0.74 242 71.8
2026 European Bearing Company, Ltd