d 682,625-812,800mm
Contact us

European Bearing Company, Ltd

Tel:+86 138 1864 4961, +86 131 2063 6066

E-Mail:info@eubeco.com

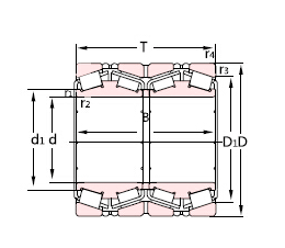
Dimension and Parameters
  Basic dimension mm model Basic rated load Calculation coefficient Mass
kg
  d D T B d1≈ D1≈ r1.2min r3.4min Dynamic ckn Static cokn e Y1 Y2 Yo
INFO 682.625 965.200 701.675 701.675 740 857 3.3 6.4 331503G/HA1 17600 50000 0.33 2 3 2 1750
INFO 26.875 38.000 27.625 27.625 - - - - (M282249DGW-210-210D) - - - - - - -
INFO 708.025 930.275 565.150 565.150 756 846 3.3 6.4 BT4B332098A/HA4 13000 39000 0.33 2 3 2 1040
INFO 27.875 36.625 22.250 22.250 - - - - (LM282549DGW-510-510D) - - - - - - -
INFO 711.200 914.400 317.500 317.500 765 847 3.3 6.4 330882C 7040 19300 0.37 1.8 2.7 1.8 525
INFO 28.000 36.000 12.500 12.500 - - - - (EE755281DGW-360-361D) - - - - - - -
INFO 717.550 946.150 565.150 565.150 768 860 3.3 6.4 332244 13400 40500 0.33 2 3 2 1090
INFO 28.250 37.250 22.250 22.250 - - - - (LM-282847DGW-810-810D) - - - - - - -
INFO 730.250 1035.050 755.650 755.650 793 918 3.3 6.4 330803A 20500 58500 0.33 2 3 2 2170
INFO 28.750 40.750 29.750 29.750 - - - - (M283449DGW-410-410D) - - - - - - -
INFO 750.000 1130.000 690.000 690.000 826 990 4 7.5 BT4B328376/HA4 20100 46500 0.48 1.4 2.1 1.4 2430
INFO 29.5276 44.4882 27.1654 27.1654 - - - - - - - - - - - -
INFO 812.800 1143.000 768.350 768.350 888 1025 6.4 12.7 331248 22000 63000 0.33 2 3 2 2600
INFO 32.0000 45.0000 30.2500 30.2500 - - - - - - - - - - - -
INFO 682.625 965.200 701.675 701.675 740 857 3.3 6.4 331503G/HA1 17600 50000 0.33 2 3 2 1750
INFO 26.875 38.000 27.625 27.625 - - - - (M282249DGW-210-210D) - - - - - - -
INFO 708.025 930.275 565.150 565.150 756 846 3.3 6.4 BT4B332098A/HA4 13000 39000 0.33 2 3 2 1040
INFO 27.875 36.625 22.250 22.250 - - - - (LM282549DGW-510-510D) - - - - - - -
INFO 711.200 914.400 317.500 317.500 765 847 3.3 6.4 330882C 7040 19300 0.37 1.8 2.7 1.8 525
INFO 28.000 36.000 12.500 12.500 - - - - (EE755281DGW-360-361D) - - - - - - -
INFO 717.550 946.150 565.150 565.150 768 860 3.3 6.4 332244 13400 40500 0.33 2 3 2 1090
INFO 28.250 37.250 22.250 22.250 - - - - (LM-282847DGW-810-810D) - - - - - - -
INFO 730.250 1035.050 755.650 755.650 793 918 3.3 6.4 330803A 20500 58500 0.33 2 3 2 2170
INFO 28.750 40.750 29.750 29.750 - - - - (M283449DGW-410-410D) - - - - - - -
INFO 750.000 1130.000 690.000 690.000 826 990 4 7.5 BT4B328376/HA4 20100 46500 0.48 1.4 2.1 1.4 2430
INFO 29.5276 44.4882 27.1654 27.1654 - - - - - - - - - - - -
INFO 812.800 1143.000 768.350 768.350 888 1025 6.4 12.7 331248 22000 63000 0.33 2 3 2 2600
INFO 32.0000 45.0000 30.2500 30.2500 - - - - - - - - - - - -
2026 European Bearing Company, Ltd