d 70-170mm
Contact us

European Bearing Company, Ltd

Tel:+86 138 1864 4961, +86 131 2063 6066

E-Mail:info@eubeco.com

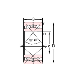
Dimension and Parameters
  Basic dimension mm Basic rated load kn Code Limit speed r/min Installation dimension mm quality
  d D B rmin Dynamic C Static Co fat oil da
min
Da
max
ra
max
kg
INFO 70 125 39.7 1.5 83 76.5 3214 3200 4300 79 116 1.5 1.9
INFO 70 150 63.5 2.1 180 168 3314 3200 4300 87 137 2 5.26
INFO 90 160 52.4 2 125 170 3218 3200 4300 104 146 2 4.28
INFO 90 190 73 3 216 275 3318 3200 3400 104 176 2 9.25
INFO 100 180 60.3 2.1 198 215 3220YM 2000 2700 122 168 2 6.46
INFO 105 190 65.1 2.1 180 245 3221M 2000 2700 117 178 2 7.78
INFO 110 240 92.1 3 358 429 3322M 1800 2400 124 226 2.5 19.9
INFO 110 200 69.8 2.1 204 280 3222M 1800 2900 122 188 2 9.23
INFO 120 180 56 2 120 182 4024X2D 1800 2900 137 - 2 6
INFO 120 180 60 2 110 183 4024D 1800 2900 137 169 2 6.1
INFO 120 190 66 2 179 237 4024X3D 2500 3600 140 - 2 7.5
INFO 120 190 66 2 179 237 4024X3DC 2500 3600 133 175.8 2 7.5
INFO 120 215 80 2.1 200 293 4024X3DC-1 1800 2900 139 188 2 13.2
INFO 130 200 75 2 150 200 4026X2D 2200 3200 140 190 2 9.1
INFO 140 209.5 66 2 146 249 4028X3D 1700 2300 160 - 2 8.4
INFO 140 209.5 66 2 146 249 4028X3DC 1700 2300 153 191 2 8.4
INFO 140 210 69 2 146 249 4028D 1700 2300 160 - 2 8.8
INFO 140 210 69 2 146 249 4028DC 1700 2300 153 191 2 8.8
INFO 150 215 50 2 126 188 4932X3DM 1600 2200 171 207 2 5.15
INFO 150 225 73 2 199 275 4030X2D 2200 3200 164 212 2 6.8
INFO 150 225 73 2 199 275 4030X2D/W33 2200 3200 164 212 2 6.8
INFO 150 225 73 2 199 275 4030X2DT/W33 2200 3200 164 212 2 6.8
INFO 150 225 75 2.1 199 275 4030D 2200 3200 164 212 2 8
INFO 150 230 70 2.1 185 250 4030X3D 2200 3200 162 218 2 10.7
INFO 150 270 90 3 225 405 3230X2D/W33 1600 2000 189 - 2.5 23.3
INFO 160 215 56 2 97 166 4932X2DC 1600 2000 172 199 2 8.6
INFO 160 239.8 76 2.1 191 340 4932X3DC 1450 1850 176 220 2 12
INFO 160 240 58 2.1 155 268 3032X2D 1450 1850 184 - 2 9.7
INFO 160 240 76 2.1 225 315 4032X2DC 1900 2500 172 228 2 13.5
INFO 160 240 80 2.1 210 289 4032D 1900 2500 172 228 2 12
INFO 160 249.5 84 2.1 210 385 4032X3DC 1450 1850 178 224 2 15
INFO 170 230 56 2 105 162 4934X3DC 1450 1850 183 212 2 7
INFO 170 259.5 84 2.1 250 355 4034X3D 1600 2100 188 241 2 15
INFO 170 260 84 2.1 250 355 4034X2DC 1600 2100 188 241 2 15
2026 European Bearing Company, Ltd