d 140-150mm
Contact us

European Bearing Company, Ltd

Tel:+86 138 1864 4961, +86 131 2063 6066

E-Mail:info@eubeco.com

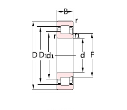
Dimension and Parameters
  Basic dimension mm Basic rated load Code Rated speed r/min Mass
kg
Dimension mm Shoulder and chamfer size mm
  d D B/B1 Dynamic ckn Static
co
kn
Reference speed Limit speed r/min d1≈ D1≈ F,E r1.2
min
r3.4
min
S1) da
min
da
max
db
min
Da
max
cancel ra
max
rb
max
INFO 140 270 78 644 880 614073A(NJ/C4) 1800 2200 22 188 231 176.5 2.5 3 1.3 153 171 191 257 - 2.5 2.5
INFO 140 270 78/91 644 880 614074A(NU/C4+HJ) 1800 2200 23.3 188 231 176.5 3 3 1 153 171 179 257 - 3.5 25
INFO 140 300 62 780 830 NU328ECJ 2400 2800 22.5 - 250.6 180 4 4 3.7 157 175 183 282.5 - 3 3
INFO 140 300 62 780 830 NJ328ECJ 2400 2800 23 195 250.6 180 4 4 3.7 157 175 199 282.5 - 3 3
INFO 140 300 62 780 830 NUP328ECM 2400 2800 23.5 195 250.6 180 4 4 - 157 - 199 282.5 - 3 -
INFO 140 300 62 780 830 N328MB 2400 2800 20 196 - 260 4 4 4.2 157 256 - 282.5 - 3 3
INFO 140 300 102 1200 1430 NU2328ECMA 2400 4300 37 - 251.7 180 4 4 9.7 157 175 183 282.5 - 3 3
INFO 140 300 102 1200 1430 NJ2328ECMA 2400 4300 37.5 195 251.7 180 4 4 9.7 157 175 199 282.5 - 3 -
INFO 140 300 114.3 1120 1560 467063VAA(NF/C5) 1800 2200 41.8 196 246 263 3 3 5 153 242 - 287 - 2.5 2.5
INFO 140 360 82 913 1080 NU428M 1700 2000 47 - 278 198 5 5 6.1 160 192 201 340 - 4 4
INFO 150 225 35 198 290 NU1030MA 3200 5000 4.85 - 199.05 169.5 1.5 2.1 4.9 158 167 173 215 - 2 1.5
INFO 150 225 45 347 550 NU2030ECMA 2200 2800 6 - 203 168.5 1.5 2.1 2.2 158 165 172 214 - 2 1.5
INFO 150 225 56 413 710 N3030K/VSA701 2200 2800 7.9 178 - 208.5 1.5 2.1 5.2 161 205 181 217 - 1 1.5
INFO 150 270 45 510 600 NU230ECJ 2600 2800 11.5 - 232.2 182 3 3 2.5 164 178 186 254.6 - 2.5 2.5
INFO 150 270 45 510 600 NJ230ECJ 2600 2800 12 193 232.2 182 3 3 2.5 164 178 196 254.6 - 2.5 -
INFO 150 270 45 510 600 NUP230ECJ 2600 2800 11 193 232.2 182 3 3 - 164 - 196 254.6 - 2.5 -
INFO 150 270 45 510 600 N230 2600 2800 10 193 - 238 3 3 2.5 164 234 - 254.6 - 2.5 2.5
INFO 150 270 73 735 930 NU2230ECM 2600 2800 19 - 232.2 182 3 3 4.9 164 178 186 254.6 - 2.5 2.5
INFO 150 270 73 735 930 NJ2230ECM 2600 2800 19.5 194 232.2 182 3 3 4.9 164 178 197 254.6 - 2.5 -
INFO 150 300 102 880 1250 314834DB(NJ/C4VA350) 1700 2000 35.5 202 248 187 4 4 14.2 166 184 205 284 - 3 3
INFO 150 300 102 880 1250 314835DB(NJP/C4VA350) 1700 2000 35.5 202 248 187 4 4 14.2 166 184 205 284 - 3 3
INFO 150 320 65 900 965 NU330ECM 2200 2600 27.5 - 268.7 193 4 4 4 167 188 196 302.2 - 3 3
INFO 150 320 65 900 965 NJ330ECMA 2200 2600 28 209 269.8 193 4 4 4 167 188 213 302.2 - 3 -
INFO 150 320 65 900 965 N330ECMB 2200 2600 28.5 209 - 283 4 4 4 167 279 - 302.2 - 3 3
INFO 150 320 108 1370 1630 NU2330ECMA 2200 4000 45 - 269.8 193 4 4 10.5 167 188 196 302.2 - 3 3
INFO 150 320 108 1370 1630 NJ2330ECMA 2200 4000 46 209 269.8 193 4 4 10.5 167 188 213 302.2 - 3 3
INFO 150 320 108 1370 1630 NUP2330ECMA 2200 4000 46.5 209 269.8 193 4 4 - 167 - 213 302.2 - 3 3
INFO 150 380 85 968 1180 NU430M 1600 1900 53.5 - 293 213 5 5 5.3 170 206 216 360 - 4 4
INFO 150 380 85 968 1180 NJ430M 1600 1900 54.5 234 293 213 5 5 5.3 170 206 238 360 - 4 4
2026 European Bearing Company, Ltd