d 190-200mm
Contact us

European Bearing Company, Ltd

Tel:+86 138 1864 4961, +86 131 2063 6066

E-Mail:info@eubeco.com

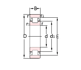
Dimension and Parameters
  Basic dimension mm Basic rated load Code Rated speed r/min Mass
kg
Dimension mm Shoulder and chamfer size mm
  d D B Dynamic ckn Static
co
kn
Reference speed Limit speed r/min d1≈ D1≈ F,E r1.2
min
r3.4
min
S1) da
min
da
max
db
min
Da
max
cancel ra
max
rb
max
INFO 190 260 33 251 400 NJ1938ECMA/VE900 2000 2600 5.5 214 239 207.5 1.1 2 1 199 204 217 251 - 2 2
INFO 190 260 42 264 455 NU2938/314088D 2000 2600 7 - 236 209 2 2 5.2 199 206 212 251 - 2 2
INFO 190 260 42 264 455 NJ2938M2P 2000 2600 7.3 215 236 209 2 2 1.1 199 205 219 251 - 2 2
INFO 190 290 46 347 500 NU1038MA 2600 3800 11 - 256.1 215 2.1 2.1 6.1 200 212 219 280 - 2 2
INFO 190 290 46 347 500 NJ1038MA 2600 3800 11.5 225 256.1 215 2.1 2.1 6.1 200 212 231 280 - 2 2
INFO 190 290 46 347 500 NJP1038MA 2600 3800 12 225 256.1 215 2.1 2.1 6.1 200 212 231 280 - 2 2
INFO 190 290 60 644 1040 NU2038ECMA 1800 2200 15 - 261 214 2.1 2.1 2.5 201 210 217 279 - 2 2
INFO 190 290 75 721 1250 N3038K/VA701 1800 2200 18 226 - 268 1.7 2.1 6.5 201 264 - 279 - 1.5 2
INFO 190 290 75 737 1220 BC1B322831/HB1(NU/C3) 1800 2200 18 - 261 214 2 2 6.5 200 210 217 280 - 2 2
INFO 190 340 55 800 965 NU238ECMA 2000 3400 23.5 - 295 230 4 4 3 207 226 233 321.9 - 3 3
INFO 190 340 55 693 965 NJ238ECMA 2000 3400 24.5 244 295 230 4 4 3 207 226 248 321.9 - 3 3
INFO 190 340 55 693 965 NUP238ECMA 2000 3400 25.5 244 295 230 4 4 - 207 - 248 321.9 - 3 3
INFO 190 340 55 561 765 BC1B320669(NUP/C3) 1700 2000 23.5 244 286 231 4 4 - 206 - 248 324 - 3 3
INFO 190 340 92 1220 1600 NU2238ECMA 2000 3400 39 - 296.4 228 4 4 5 207 224 231 321.9 - 3 3
INFO 190 340 92 1220 1600 NJ2238ECMA 2000 3400 40 243 296.4 228 4 4 5 207 224 247 322 - 3 3
INFO 190 340 114.3 1540 2400 TNU9238 1400 1700 48 - 298 223 3 3 5.9 203 220 226 327 - 2.5 2.5
INFO 190 340 114.3 1380 2040 BC1B319408(NU/C3) 1400 1700 49 - 299 223 4.3 3 4.6 208 217 226 327 - 4 2.5
INFO 190 400 78 1140 1500 NU338ECM 1500 2000 50 - 336.3 245 5 5 4.3 210 240 249 380 - 4 4
INFO 190 400 132 1830 2500 NU2338ECMA 1500 3000 82.5 - 342.75 240 5 5 9.5 209 234 244 380 - 4 4
INFO 200 250 30 183 345 NJ2840ECMA/VE900 2200 2800 3.55 216 233 211.5 1.5 1.5 0.8 208 208 219 242 - 1.5 1.5
INFO 200 280 38 264 405 NJ1940ECMA/VE900 2200 2800 7.4 229 252 221 2.1 2.1 4.3 211 216 232 269 - 2 2
INFO 200 280 38 319 530 N1940AK/SP 3200 3600 7.3 228 - 262 1 2.1 3.5 211 258 - 269 - 1 2
INFO 200 280 48 330 585 NU2940M2P 2000 2600 9.5 - 250 222 2.1 2.1 4.7 211 219 225 269 - 2 2
INFO 200 310 51 380 570 NU1040MA 2400 3600 14 - 269 229 2.1 2.1 7 211 225 234 300 - 2 2
INFO 200 310 51 380 570 NJ1040MA 2400 3600 14.5 239 269 229 2.1 2.1 7 211 225 243 300 - 2 2
INFO 200 310 51 380 570 NJP1040MA 2400 3600 14.5 239 269 229 2.1 2.1 7 211 225 243 300 - 2 2
INFO 200 310 51 374 570 N1040AK/SP 2400 3600 13.5 242 - 282 1.1 2.1 7.3 211 278 - 300 - 1 2
INFO 200 310 66 550 915 313296(NFP/C3VA350) 1700 2000 19.5 241 271 281 2.1 2.1 8.5 211 267 - 300 - 2 2
INFO 200 310 66 737 1220 NU2040ECMA 1700 2000 19 - 277 227 2.1 2.1 3.1 211 223 231 299 - 2 2
INFO 200 310 82 792 1400 N3040K/VA701 1700 2000 23.5 239 - 285 1 2.1 8.9 211 281 - 299 - 1 2
INFO 200 340 112 1190 1900 N3140K/VA701 1400 1700 41 249 - 311 2 3 10 213 307 - 327 - 2 2.5
2026 European Bearing Company, Ltd