d 320-340mm
Contact us

European Bearing Company, Ltd

Tel:+86 138 1864 4961, +86 131 2063 6066

E-Mail:info@eubeco.com

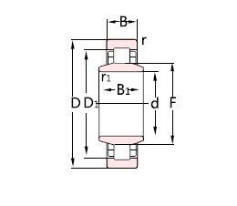
Dimension and Parameters
  Basic dimension mm Basic rated load Code Rated speed r/min Mass
kg
Dimension mm Shoulder and chamfer size mm
  d D B/B1 Dynamic ckn Static
co
kn
Reference speed Limit speed r/min d1≈ D1≈ F,E r1.2
min
r3.4
min
S1) da
min
da
max
db
min
Da
max
cancel ra
max
rb
max
INFO 320 415 43 468 865 BC1B246315A(N/CN) 1300 1600 16.2 352 - 392.6 4 2.1 4.3 336 388 - 428 - 3 2
INFO 320 480 74 880 1430 NU1064MA 1400 1400 48.5 - 422 360 4 4 9.7 335 355 365 465 - 3 3
INFO 320 480 74 880 1430 NU1064MP 1400 1400 48.5 - 422 360 4 4 9.7 335 355 365 465 - 3 3
INFO 320 480 74 880 1430 NJ1064MA 1400 1400 49 376 422 360 4 4 9.7 335 355 380 465 - 3 -
INFO 320 480 95 1450 2650 NU2064ECMA 950 1200 62.5 - 428 360 4 4 8.1 336 357 364 464 - 3 3
INFO 320 480 121 1830 3200 NU3064ECM 950 1200 75 - 431 351.3 4 4 6.2 336 344 354 464 - 3 3
INFO 320 540 176 3140 5400 NU3164EMA/VE900 850 1000 175 - 476 368 5 5 9.6 340 360 372 520 - 4 4
INFO 320 580 92 1830 2750 NU264MA 1000 1200 115 - 494 392 5 5 4.8 338 386 394 562 - 4 4
INFO 320 580 150 3190 5000 NU2264MA 1000 1900 180 - 506 380 5 5 5 338 376 394 562 - 4 4
INFO 320 580 150 3190 5000 N2264MB 1000 1900 180 415 - 510 5 5 5.9 338 505 - 562 - 4 4
INFO 320 580 190.05 4130 6550 TNU9264 800 950 230 - 515 380 5 5 4.6 340 373 384 560 - 4 4
INFO 320 620 165 3410 5300 BC1B319915/HA4(NU/CN) 850 1000 235 - 532 396.4 6 6 10 346 386 401 594 - 5 5
INFO 320 620 165 3410 5300 BC1B319915A/H4(NUP/CN) 850 1000 243 426 532 396.4 6 6 - 346 430 - 594 - 5 5
INFO 340 420 35 212 400 316197(N/C3W33) 1200 1500 9.6 369 - 398 2.1 2.1 3.4 352 394 - 408 - 2 2
INFO 340 420 48 512 1120 NJ2868ECMA/VE900 1200 1500 15 368 395 361 2.1 2.1 1.7 352 357 372 408 - 2 2
INFO 340 460 56 682 1200 NU1968ECMA 1400 1900 27.5 - 421 370 3 3 1.8 353 365 374 447 - 2.5 2.5
INFO 340 460 72 1020 2040 NU2968M 1400 1900 36 - 417 373 3 3 8.5 353 369 377 447 - 2.5 2.5
INFO 340 460 72 1020 2040 NJ2968ECMA/VE900 1400 1900 37 377 421 367 3 3 3.8 353 363 381 447 - 2.5 2.5
INFO 340 460.08 56 627 1120 313816(NU/CN) 1100 1400 27.5 - 421 371 3 3 1.8 353 365 374 447 - 2.5 2.5
INFO 340 520 82 1080 1760 NU1068MA 1300 1700 65 - 455 385 5 5 6 358 380 389 502 - 4 4
INFO 340 520 82 1080 1760 NJ1068MA 1300 1700 68 403 455 385 5 5 6 358 380 408 502 - 4 4
INFO 340 520 82 1080 1760 NU1068MP 1300 1700 65 - 455 385 5 5 6 358 380 389 502 - 4 4
INFO 340 520 133 2200 4150 NU3068MA/VE900 1100 1700 106 - 463 385 5 5 10 360 380 389 500 - 4 4
INFO 340 520 133 2200 4150 N3068K/VA701 1100 1700 104 404 - 478 3 5 13.5 360 473 - 500 - 3 4
INFO 320 415 43 468 865 BC1B246315A(N/CN) 1300 1600 16.2 352 - 392.6 4 2.1 4.3 336 388 - 428 - 3 2
INFO 320 480 74 880 1430 NU1064MA 1400 1400 48.5 - 422 360 4 4 9.7 335 355 365 465 - 3 3
INFO 320 480 74 880 1430 NU1064MP 1400 1400 48.5 - 422 360 4 4 9.7 335 355 365 465 - 3 3
INFO 320 480 74 880 1430 NJ1064MA 1400 1400 49 376 422 360 4 4 9.7 335 355 380 465 - 3 -
INFO 320 480 95 1450 2650 NU2064ECMA 950 1200 62.5 - 428 360 4 4 8.1 336 357 364 464 - 3 3
INFO 320 480 121 1830 3200 NU3064ECM 950 1200 75 - 431 351.3 4 4 6.2 336 344 354 464 - 3 3
INFO 320 540 176 3140 5400 NU3164EMA/VE900 850 1000 175 - 476 368 5 5 9.6 340 360 372 520 - 4 4
INFO 320 580 92 1830 2750 NU264MA 1000 1200 115 - 494 392 5 5 4.8 338 386 394 562 - 4 4
INFO 320 580 150 3190 5000 NU2264MA 1000 1900 180 - 506 380 5 5 5 338 376 394 562 - 4 4
INFO 320 580 150 3190 5000 N2264MB 1000 1900 180 415 - 510 5 5 5.9 338 505 - 562 - 4 4
INFO 320 580 190.05 4130 6550 TNU9264 800 950 230 - 515 380 5 5 4.6 340 373 384 560 - 4 4
INFO 320 620 165 3410 5300 BC1B319915/HA4(NU/CN) 850 1000 235 - 532 396.4 6 6 10 346 386 401 594 - 5 5
INFO 320 620 165 3410 5300 BC1B319915A/H4(NUP/CN) 850 1000 243 426 532 396.4 6 6 - 346 430 - 594 - 5 5
INFO 340 420 35 212 400 316197(N/C3W33) 1200 1500 9.6 369 - 398 2.1 2.1 3.4 352 394 - 408 - 2 2
INFO 340 420 48 512 1120 NJ2868ECMA/VE900 1200 1500 15 368 395 361 2.1 2.1 1.7 352 357 372 408 - 2 2
INFO 340 460 56 682 1200 NU1968ECMA 1400 1900 27.5 - 421 370 3 3 1.8 353 365 374 447 - 2.5 2.5
INFO 340 460 72 1020 2040 NU2968M 1400 1900 36 - 417 373 3 3 8.5 353 369 377 447 - 2.5 2.5
INFO 340 460 72 1020 2040 NJ2968ECMA/VE900 1400 1900 37 377 421 367 3 3 3.8 353 363 381 447 - 2.5 2.5
INFO 340 460.08 56 627 1120 313816(NU/CN) 1100 1400 27.5 - 421 371 3 3 1.8 353 365 374 447 - 2.5 2.5
INFO 340 520 82 1080 1760 NU1068MA 1300 1700 65 - 455 385 5 5 6 358 380 389 502 - 4 4
INFO 340 520 82 1080 1760 NJ1068MA 1300 1700 68 403 455 385 5 5 6 358 380 408 502 - 4 4
INFO 340 520 82 1080 1760 NU1068MP 1300 1700 65 - 455 385 5 5 6 358 380 389 502 - 4 4
INFO 340 520 133 2200 4150 NU3068MA/VE900 1100 1700 106 - 463 385 5 5 10 360 380 389 500 - 4 4
INFO 340 520 133 2200 4150 N3068K/VA701 1100 1700 104 404 - 478 3 5 13.5 360 473 - 500 - 3 4
2026 European Bearing Company, Ltd