d 340-400mm
Contact us

European Bearing Company, Ltd

Tel:+86 138 1864 4961, +86 131 2063 6066

E-Mail:info@eubeco.com

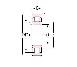
Dimension and Parameters
  Basic dimension mm Basic rated load Code Rated speed r/min Mass
kg
Dimension mm Shoulder and chamfer size mm
  d D B Dynamic ckn Static
co
kn
Reference speed Limit speed r/min d1≈ D1≈ F,E r1.2
min
r3.4
min
S1) da
min
da
max
db
min
Da
max
cancel ra
max
rb
max
INFO 340 580 190 3470 5850 NU3168ECMA/HB1VE900 950 1600 217 - 507 390.5 5 5 14 360 388 403 560 - 4 4
INFO 340 620 165 2640 4500 NU2268MA 1000 1500 220 - 515 416 6 6 8 366 401 421 594 - 5 5
INFO 340 710 212 5610 8650 NU2368ECMA 800 1400 439 - 602 425 7.5 7.5 11 368 420 389 682 - 6 6
INFO 360 450 50 523 1020 BC1B246316A(N/CN) 1100 1400 18.7 388 - 429 4 4 4.5 376 424 - 434 - 3 3
INFO 360 480 56 781 1460 NUZ1972MA1) 1400 2000 29.5 - 438 387.5 3 3 2 375 382 392 465 - 2.5 2.5
INFO 360 540 82 1100 1830 NU1072MA 1300 1600 67.5 - 475 405 5 5 6.5 378 400 410 522 - 4 4
INFO 360 540 82 1100 1830 NU1072MP 1300 1600 67.5 - 475 405 5 5 6.5 378 400 410 522 - 4 4
INFO 360 540 106 1940 3600 NU2072ECMA 900 1100 88.5 - 486 405 5 5 8.9 380 399 410 520 - 4 4
INFO 360 600 192 3410 6100 NU3172EMA/VE900 900 1500 225 - 475 420 5 5 9.4 380 407 425 580 - 4 4
INFO 360 650 95 1940 3050 NU272MA/HB3 850 1000 150 - 546 444 6 6 2.6 386 436 448 624 - 5 5
INFO 360 650 170 2920 4900 NU2272MA 950 1400 257 - 542 437 6 6 16.7 386 428 442 624 - 5 5
INFO 360 750 224 5010 8150 NU2372ECMA 850 1300 510 - 617 465 7.5 7.5 10 392 453 470 718 - 6 6
INFO 380 480 46 561 1120 NU1876ECMA/VE900 1300 2000 23 - 449 406 2.1 2.1 2.5 390 400 410 470 - 1 1
INFO 380 560 82 1140 1930 NU1076MA 1200 1600 71 - 495 425 5 5 10.8 398 420 430 542 - 4 4
INFO 380 560 82 1140 1930 NJ1076MA 1200 1600 71 443 495 425 5 5 10.8 398 420 448 542 - 4 -
INFO 380 560 135 2380 4750 NU3076ECMP 1000 1800 115 - 506 425 5 5 8.5 398 417 430 542 - 4 4
INFO 380 680 175 3960 6400 NU2276MA 850 1300 288 - 595 451 6 6 8.3 406 445 457 654 - 5 5
INFO 400 500 46 572 1180 NU1880MP 1300 1900 21 - 465 423 2.1 2.1 3.3 410 419 428 490 - 2 2
INFO 400 500 46 572 1180 NJ1880MP 1300 1900 22 433 465 423 2.1 2.1 3.3 410 419 436 490 - 2 -
INFO 400 540 82 1380 2800 NU2980MA 1200 1600 57 - 495 435 4 4 6.2 415 430 442 525 - 3 3
INFO 400 540 82 1380 2800 NU2980ECMA 1200 1600 57 - 495 435 4 4 6.2 415 430 439 525 - 3 3
INFO 340 580 190 3470 5850 NU3168ECMA/HB1VE900 950 1600 217 - 507 390.5 5 5 14 360 388 403 560 - 4 4
INFO 340 620 165 2640 4500 NU2268MA 1000 1500 220 - 515 416 6 6 8 366 401 421 594 - 5 5
INFO 340 710 212 5610 8650 NU2368ECMA 800 1400 439 - 602 425 7.5 7.5 11 368 420 389 682 - 6 6
INFO 360 450 50 523 1020 BC1B246316A(N/CN) 1100 1400 18.7 388 - 429 4 4 4.5 376 424 - 434 - 3 3
INFO 360 480 56 781 1460 NUZ1972MA1) 1400 2000 29.5 - 438 387.5 3 3 2 375 382 392 465 - 2.5 2.5
INFO 360 540 82 1100 1830 NU1072MA 1300 1600 67.5 - 475 405 5 5 6.5 378 400 410 522 - 4 4
INFO 360 540 82 1100 1830 NU1072MP 1300 1600 67.5 - 475 405 5 5 6.5 378 400 410 522 - 4 4
INFO 360 540 106 1940 3600 NU2072ECMA 900 1100 88.5 - 486 405 5 5 8.9 380 399 410 520 - 4 4
INFO 360 600 192 3410 6100 NU3172EMA/VE900 900 1500 225 - 475 420 5 5 9.4 380 407 425 580 - 4 4
INFO 360 650 95 1940 3050 NU272MA/HB3 850 1000 150 - 546 444 6 6 2.6 386 436 448 624 - 5 5
INFO 360 650 170 2920 4900 NU2272MA 950 1400 257 - 542 437 6 6 16.7 386 428 442 624 - 5 5
INFO 360 750 224 5010 8150 NU2372ECMA 850 1300 510 - 617 465 7.5 7.5 10 392 453 470 718 - 6 6
INFO 380 480 46 561 1120 NU1876ECMA/VE900 1300 2000 23 - 449 406 2.1 2.1 2.5 390 400 410 470 - 1 1
INFO 380 560 82 1140 1930 NU1076MA 1200 1600 71 - 495 425 5 5 10.8 398 420 430 542 - 4 4
INFO 380 560 82 1140 1930 NJ1076MA 1200 1600 71 443 495 425 5 5 10.8 398 420 448 542 - 4 -
INFO 380 560 135 2380 4750 NU3076ECMP 1000 1800 115 - 506 425 5 5 8.5 398 417 430 542 - 4 4
INFO 380 680 175 3960 6400 NU2276MA 850 1300 288 - 595 451 6 6 8.3 406 445 457 654 - 5 5
INFO 400 500 46 572 1180 NU1880MP 1300 1900 21 - 465 423 2.1 2.1 3.3 410 419 428 490 - 2 2
INFO 400 500 46 572 1180 NJ1880MP 1300 1900 22 433 465 423 2.1 2.1 3.3 410 419 436 490 - 2 -
INFO 400 540 82 1380 2800 NU2980MA 1200 1600 57 - 495 435 4 4 6.2 415 430 442 525 - 3 3
INFO 400 540 82 1380 2800 NU2980ECMA 1200 1600 57 - 495 435 4 4 6.2 415 430 439 525 - 3 3
2026 European Bearing Company, Ltd