d 180-240mm
Contact us

European Bearing Company, Ltd

Tel:+86 138 1864 4961, +86 131 2063 6066

E-Mail:info@eubeco.com

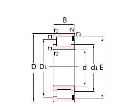
Dimension and Parameters
  Basic dimension mm Basic rated load Rated speed r/min Mass
kg
model Dimension mm Shoulder and chamfer size mm
  d D B Dynamic ckn Static cokn Reference speed Limit speed r/min NCF......V NJG......VH d1
D1≈ F,E r1.2
min
r3.4
min
S1) da
min
db
max
Da
min
Db
max
ra
max
rb
max
INFO 180 380 126 1870 2650 670 800 69.5 NJG2336VH NJG2336BVH 245 309 221.75 4 - 8 199 215 361 - 3 -
INFO 190 260 42 440 780 1100 1400 6.5 NCF2938CV NCF2938BV 212 236 244 2 1.1 2 199 - 250 252 2 1
INFO 190 290 75 792 1290 1000 1300 17 NCF3038CV NCF3038BCV 222 258 269.76 2.1 2.1 8 202 - 279 279 2 2
INFO 190 340 92 1250 1900 800 1000 35.7 NCF2238V NCF2238BV 243 296 310.68 4 4 7 209 - 325 324 3 3
INFO 200 250 24 176 335 1100 1400 2.6 NCF1840V NCF1840BV 218 231 237.5 1.5 1.1 1.8 207 - 243 244 1.5 1
INFO 200 280 48 528 965 1000 1300 9.1 NCF2940CV NCF2940CV 226 253 262 2.1 1.5 3 211 - 269 271 2 1.5
INFO 200 310 82 913 1530 950 1200 22.5 NCF3040CV NCF3040BCV 237 275 287.75 2.1 2.1 9 213 - 299 299 2 2
INFO 200 420 138 2290 3200 600 750 92 NJG2340VH NJG2340BVH 266 342 238.65 5 - 9 221 232 398 - 4 -
INFO 220 270 24 183 365 1000 1200 2.85 NCF1844V NCF1844BV 238 252 258 1.5 1.1 1.8 227 - 263 264 1.5 1
INFO 220 300 48 550 1060 900 1200 9.9 NCF2944CV NCF2944BV 247 274 283 2.1 1.5 3 231 - 289 291 2 1.5
INFO 220 340 90 1080 1800 850 1100 29.5 NCF3044V NCF3044BV 255 298 312.2 3 3 9 233 - 327 327 2.5 2.5
INFO 240 300 28 260 510 900 1100 4.4 NCF1848V NCF1848BV 263 279 287 2 1.1 1.8 249 - 291 294 2 1
INFO 240 320 48 583 1140 850 1100 10.6 NCF2948CV NCF2948BV 267 294 303 2.1 1.5 3 251 - 309 311 2 1.5
INFO 240 360 92 1140 1960 800 1000 32 NCF3048V NCF3048BV 278 321 335.1 3 3 11 254 - 347 347 2.5 2.5
INFO 240 500 155 3140 4400 480 600 147 NJG2348VH NJG2348BVH 310 403 287.75 5 - 10 260 282 480 - 4 -
INFO 180 380 126 1870 2650 670 800 69.5 NJG2336VH NJG2336BVH 245 309 221.75 4 - 8 199 215 361 - 3 -
INFO 190 260 42 440 780 1100 1400 6.5 NCF2938CV NCF2938BV 212 236 244 2 1.1 2 199 - 250 252 2 1
INFO 190 290 75 792 1290 1000 1300 17 NCF3038CV NCF3038BCV 222 258 269.76 2.1 2.1 8 202 - 279 279 2 2
INFO 190 340 92 1250 1900 800 1000 35.7 NCF2238V NCF2238BV 243 296 310.68 4 4 7 209 - 325 324 3 3
INFO 200 250 24 176 335 1100 1400 2.6 NCF1840V NCF1840BV 218 231 237.5 1.5 1.1 1.8 207 - 243 244 1.5 1
INFO 200 280 48 528 965 1000 1300 9.1 NCF2940CV NCF2940CV 226 253 262 2.1 1.5 3 211 - 269 271 2 1.5
INFO 200 310 82 913 1530 950 1200 22.5 NCF3040CV NCF3040BCV 237 275 287.75 2.1 2.1 9 213 - 299 299 2 2
INFO 200 420 138 2290 3200 600 750 92 NJG2340VH NJG2340BVH 266 342 238.65 5 - 9 221 232 398 - 4 -
INFO 220 270 24 183 365 1000 1200 2.85 NCF1844V NCF1844BV 238 252 258 1.5 1.1 1.8 227 - 263 264 1.5 1
INFO 220 300 48 550 1060 900 1200 9.9 NCF2944CV NCF2944BV 247 274 283 2.1 1.5 3 231 - 289 291 2 1.5
INFO 220 340 90 1080 1800 850 1100 29.5 NCF3044V NCF3044BV 255 298 312.2 3 3 9 233 - 327 327 2.5 2.5
INFO 240 300 28 260 510 900 1100 4.4 NCF1848V NCF1848BV 263 279 287 2 1.1 1.8 249 - 291 294 2 1
INFO 240 320 48 583 1140 850 1100 10.6 NCF2948CV NCF2948BV 267 294 303 2.1 1.5 3 251 - 309 311 2 1.5
INFO 240 360 92 1140 1960 800 1000 32 NCF3048V NCF3048BV 278 321 335.1 3 3 11 254 - 347 347 2.5 2.5
INFO 240 500 155 3140 4400 480 600 147 NJG2348VH NJG2348BVH 310 403 287.75 5 - 10 260 282 480 - 4 -
2026 European Bearing Company, Ltd