d 260-280mm
Contact us

European Bearing Company, Ltd

Tel:+86 138 1864 4961, +86 131 2063 6066

E-Mail:info@eubeco.com

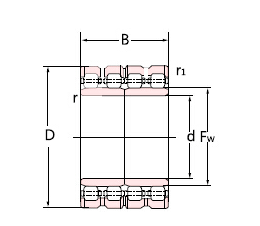
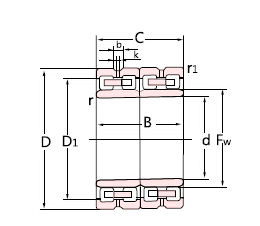
Dimension and Parameters
  Basic dimension mm Code Basic rated load Mass
kg
Other brands and models mm
  d D B Fw r1.2min r3.4min Dynamic ckn Static
co
kn
SKF FAG NTN NSK KOYO
INFO 260 360 192 288 3 3 FC5272192 1609 3874 60 - - - - -
INFO 260 360 204 287 3 3 FC5272204 1980 4400 64.5 314997/VJ202 - - - -
INFO 260 360 230 292 3 3 FC5272230 1980 4650 73.5 BC4B320956 - - - -
INFO 260 360 260 287 3 3 FCD5272260 2300 5320 80 - - - - 52FC36260
INFO 260 370 192 291 3 3 FC5274192 1670 4012 66 - - - - -
INFO 260 370 200 292 3 3 FC5274200 1771 4120 68.9 - - - - -
INFO 260 370 220 292 3 3 FC5274220 2160 4650 76.5 313823 507336 4R5217 260RV3701 313823
INFO 260 370 230 292 3 3 FC5274230 1760 4450 79.3 - - - - -
INFO 260 380 220 292 3 3 FC5276220 2104 4900 85 - - - - -
INFO 260 380 280 294 3 3 FCD5276280E 2420 6250 108 - - 4R5213 260RV38301 -
INFO 260 380 280 295 3 3 FCD5276280 2720 6250 108 - - - - -
INFO 260 400 290 296 3 3 FCD5280290 3520 7100 135 313427B 518214 - - -
INFO 260 400 335 294 3 3 FCD5280335 3750 7340 149 - - - - 52FC40335W
INFO 265 370 234 300 3 3 FCD5374234 2240 5400 80 313922 517423 - - -
INFO 270 380 230 298 3 3 FC5476230 2000 5050 81.8 - - - 270RV3801 -
INFO 270 380 275 298 3 3 FCD5476275E 3080 6990 97.8 - - - - -
INFO 270 380 275 300 3 3 FCD5476275 3080 6990 101.3 - - - - -
INFO 270 390 220 306 3 3 FC5478220 1800 4803 86.7 - - - - -
INFO 270 390 240 298 3 3 FCD5478240 2236 5330 94 - - - - -
INFO 270 400 220 305 3 3 FC5480220 1822 4600 95.3 - - - - -
INFO 280 375 200 307 3 3 FC5675200 1500 4310 63.5 - - - - -
INFO 280 380 170 306 3 3 FC5676170 1710 3590 55 - - - - 56FC38170W
INFO 280 380 192 310 3 3 FC5676192 1560 4580 64.6 - - - - -
INFO 280 380 290 308.5 3 3 FCD5678290 2750 6950 75 BC4-0001 - - - -
INFO 280 390 220 312 3 3 FC5678220 2240 5000 81.5 313822 507339 4R5611 280RV3901 313822
INFO 280 390 240 312 3 3 FC5678240 2008 5331 90 - - - - -
INFO 280 390 275 308 3 3 FCD5678275 2424 6350 105 314719C 527104 4R5612 - -
INFO 280 390 275 312 3 3 FCD5678275Y 2010 5330 105 - 513729A - - -
2026 European Bearing Company, Ltd