d 800-1000mm
Contact us

European Bearing Company, Ltd

Tel:+86 138 1864 4961, +86 131 2063 6066

E-Mail:info@eubeco.com

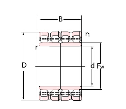
Dimension and Parameters
  Basic dimension mm Code Basic rated load Mass
kg
Other brands and models mm
  d D B Fw r1.2min r3.4min Dynamic ckn Static
co
kn
SKF FAG NTN NSK KOYO
INFO 800 1080 700 870 7.5 7.5 FCDP160216700 16500 55000 1950 - - E-4R16004 - -
INFO 800 1080 700 878 7.5 7.5 FCDP160216700E 19800 58500 1950 315599A 526169 - - -
INFO 800 1080 750 880 7.5 7.5 FCDP160216750 18400 55000 2050 - - E-4R16005 800RV1032 160FC108750
INFO 800 1150 850 905 7.5 7.5 FCDP160230850 21000 76000 2850 - - - - -
INFO 820 1130 800 903 7.5 7.5 FCDP164226800 24200 68000 2540 BC4B320455 - E-4R16406 - -
INFO 820 1160 840 910 7.5 7.5 FCDP164232840 21600 71000 2930 - - E-4R16403 - -
INFO 820 1160 840 911 7.5 7.5 FCDP164232840E 21900 71500 2900 - - - 800RV1121 -
INFO 850 1150 650 941 7.5 7.5 FCD170230650 15700 51000 1980 - - E-4R17001 - -
INFO 850 1150 800 930 7.5 7.5 FCDP170230800 19700 71000 2430 - - E-4R17003 - -
INFO 850 1150 840 928 7.5 7.5 FCDP170230840 25500 75000 2570 315826A 545636 - - -
INFO 850 1180 650 945 7.5 7.5 FCD170236650 17100 54500 2270 - - E-4R17004 - -
INFO 850 1180 850 928 7.5 7.5 FCDP170236850E 24100 78500 2970 - - E-4R17002 - -
INFO 850 1180 850 940 7.5 7.5 FCDP170236850 21100 72000 2850 - - - 850RV1111 -
INFO 850 1220 900 940 7.5 7.5 FCDP170244900 28000 82400 3720 - 523397 - - -
INFO 900 1220 840 989 7.5 7.5 FCDP180244840 26400 80000 3060 316043 527048 - - -
INFO 900 1280 930 1000 7.5 7.5 FCDP180256930 33000 93000 4080 313528C 541812 - - -
INFO 950 1300 850 1044 7.5 7.5 FCDP190260850 27200 91100 3500 - - - - -
INFO 950 1360 975 1075 7.5 7.5 FCDP190272975 34000 100000 4895 BC4B319862 - - - -
INFO 950 1360 1000 1075 7.5 7.5 FCDP1902721000 37500 105000 5013 314520C - - - -
INFO 980 1310 880 1061.7 7.5 7.5 FCDP196262880 28500 86500 3300 319303 - - - -
INFO 1000 1360 800 1101 7.5 7.5 FCDP200272800 27000 82800 3560 316234A - - - -
INFO 800 1080 700 870 7.5 7.5 FCDP160216700 16500 55000 1950 - - E-4R16004 - -
INFO 800 1080 700 878 7.5 7.5 FCDP160216700E 19800 58500 1950 315599A 526169 - - -
INFO 800 1080 750 880 7.5 7.5 FCDP160216750 18400 55000 2050 - - E-4R16005 800RV1032 160FC108750
INFO 800 1150 850 905 7.5 7.5 FCDP160230850 21000 76000 2850 - - - - -
INFO 820 1130 800 903 7.5 7.5 FCDP164226800 24200 68000 2540 BC4B320455 - E-4R16406 - -
INFO 820 1160 840 910 7.5 7.5 FCDP164232840 21600 71000 2930 - - E-4R16403 - -
INFO 820 1160 840 911 7.5 7.5 FCDP164232840E 21900 71500 2900 - - - 800RV1121 -
INFO 850 1150 650 941 7.5 7.5 FCD170230650 15700 51000 1980 - - E-4R17001 - -
INFO 850 1150 800 930 7.5 7.5 FCDP170230800 19700 71000 2430 - - E-4R17003 - -
INFO 850 1150 840 928 7.5 7.5 FCDP170230840 25500 75000 2570 315826A 545636 - - -
INFO 850 1180 650 945 7.5 7.5 FCD170236650 17100 54500 2270 - - E-4R17004 - -
INFO 850 1180 850 928 7.5 7.5 FCDP170236850E 24100 78500 2970 - - E-4R17002 - -
INFO 850 1180 850 940 7.5 7.5 FCDP170236850 21100 72000 2850 - - - 850RV1111 -
INFO 850 1220 900 940 7.5 7.5 FCDP170244900 28000 82400 3720 - 523397 - - -
INFO 900 1220 840 989 7.5 7.5 FCDP180244840 26400 80000 3060 316043 527048 - - -
INFO 900 1280 930 1000 7.5 7.5 FCDP180256930 33000 93000 4080 313528C 541812 - - -
INFO 950 1300 850 1044 7.5 7.5 FCDP190260850 27200 91100 3500 - - - - -
INFO 950 1360 975 1075 7.5 7.5 FCDP190272975 34000 100000 4895 BC4B319862 - - - -
INFO 950 1360 1000 1075 7.5 7.5 FCDP1902721000 37500 105000 5013 314520C - - - -
INFO 980 1310 880 1061.7 7.5 7.5 FCDP196262880 28500 86500 3300 319303 - - - -
INFO 1000 1360 800 1101 7.5 7.5 FCDP200272800 27000 82800 3560 316234A - - - -
2026 European Bearing Company, Ltd