d 480-600mm
Contact us

European Bearing Company, Ltd

Tel:+86 138 1864 4961, +86 131 2063 6066

E-Mail:info@eubeco.com

Dimension and Parameters
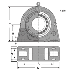
  Roller bearing Bearing housing Vertical bearing pedestal
  Shaft diameter D mm No. 1 Bearing rating CR kn Bearing rating cor kn Bearing rating CA kn Maximum speed of bearing rated value kn Main dimension DMM Main dimension c
mm
Main dimension BMM Main dimension BIMM Main dimension QMM Axial displacement value (2)
normal
mm
Axial displacement value (2)
max.
mm
Weight
kg
No. 1
felt ring seal
bearing housing
No. 1 three layer aluminum sealed bearing housing Main dimension J Main dimension G Main dimension L Main dimension L1 Weight
kg
number H
mm
R min Rmax Ro
mm
S
mm
Bolt serial number Bolt metric size Bolt inch size N O P T Weight kg Shaft diameter DMM
INFO 480 01 B 480M 1169 2433 133 380 628.65 144.0 81.0 81.0 594 11 24 128 01 C 480M 01 C 24 682.60 108 304 324 162 P24 483 796 836 - 188 4 M42 1 3/4'' 1092 304 73 965 402 480
INFO 480 02 B 480M 2313 4419 230 360 698.50 223.0 119.1 119.1 648 17 33 263 02 C 480M 02 C 45 762.00 146 338 374 272 P45 552 792 832 115 280 8 M36 1 1/2'' 1270 368 76 1110 690 480
INFO 480 03X B 480M 3771 6186 309 340 800.10 300.0 187.4 187.4 715 26 56 630 03X C 480M 03X C 71 914.40 235 476 482 740 P71 660 908 960 178 362 8 M48 2'' 1574 470 108 1320 1330 480
INFO 500 01 B 500M 1213 2593 138 360 654.05 168.0 80.2 80.2 618 11 23 136 01 C 500M 01 C25 717.60 114 304 330 192 P25 489 824 864 - 216 4 M42 1 3/4'' 1092 304 76 980 402 500
INFO 500 02 B 500M 2430 4776 244 340 717.55 226.0 115.9 115.9 670 17 30 272 02 C 500M 02 C 46 787.40 146 350 374 323 P46 572 824 864 115 280 8 M36 1 1/2'' 1296 368 80 1145 677 500
INFO 500 03 B 500M 4087 7042 347 310 850.90 300.0 187.4 187.4 765 26 56 730 03 C 500M 03 C 94 958.90 204 495 508 770 P94 622 914 966 165 242 8 M56 2 1/4'' 1600 406 102 1340 1000 500
INFO 530 01 B 530M 1253 2755 141 340 692.15 168.0 81.0 81.0 650 11 23 164 01 C 530M 01 C 26 755.70 114 330 336 226 P26 533 884 924 - 206 4 M42 1 3/4'' 1194 304 80 1065 495 530
INFO 530 02 B 530M 2658 5137 258 330 762.00 229.0 119.1 119.1 710 18 27 309 02 C 530M 02 C 47 831.90 150 350 374 351 P47 591 870 910 114 280 8 M36 1 1/2'' 1398 368 83 1180 905 530
INFO 530 03 B 530M 4087 7042 347 310 850.90 300.0 187.4 187.4 765 26 56 730 03 C 530M 03 C 94 958.90 204 495 508 770 P94 622 914 966 165 242 8 M56 2 1/4'' 1600 406 102 1340 1000 530
INFO 560 01 B 560M 1294 2916 142 330 717.55 168.0 81.0 81.0 675 11 23 178 01 C 560M 01 C27 781.10 114 336 342 252 P27 552 916 956 - 206 4 M42 1 3/4'' 1220 304 83 1110 570 560
INFO 560 02 B 560M 2790 5556 272 310 793.75 233.0 122.2 122.2 738 18 30 336 02 C 560M 02 C 48 866.80 152 356 380 379 P48 616 904 956 114 280 8 M42 1 3/4'' 1422 382 86 1230 965 560
INFO 560 03E B 560M 4669 8511 383 280 863.60 310.0 196.9 196.9 800 28 56 635 03E C 560M 03E C 94 958.90 204 490 490 671 P94 622 914 966 165 242 8 M56 2 1/4'' 1600 406 102 1340 1000 560
INFO 580 01 B 580M 1387 3138 144 310 749.30 172.0 84.1 84.1 706 11 25 195 01 C 580M 01 C 28 816.00 120 342 348 273 P28 578 857 896 102 220 8 M36 1 1/2'' 1346 304 90 1156 630 580
INFO 580 02 B 580M 2336 4836 227 300 812.80 232.0 119.1 119.1 754 16 37 340 02 C 580M 02 C 49 882.70 152 356 380 386 P49 635 932 984 115 280 8 M42 1 3/4'' 1448 382 90 1270 1000 580
INFO 600 01 B 600M 1431 3311 147 300 774.70 172.0 84.1 84.1 732 11 25 210 01 C 600M 01 C 29 841.40 120 342 348 290 P29 597 888 928 105 220 8 M36 1 1/2'' 1372 304 90 1200 630 600
INFO 600 02 B 600M 2905 5992 300 290 838.20 214.0 119.1 119.1 786 18 27 381 02 C 600M 02 C 50 914.40 152 388 394 454 P50 673 984 1036 114 280 8 M42 1 3/4'' 1524 382 92 1345 1050 600
INFO 600 03E B 600M 4887 9130 400 270 890.00 310.0 184.0 184.0 826 27 47 680 03E C 600M 03E C 95 990.00 204 490 490 720 P95 622 914 966 165 242 8 M56 2 1/4'' 1600 406 102 1340 930 600
INFO 480 01 B 480M 1169 2433 133 380 628.65 144.0 81.0 81.0 594 11 24 128 01 C 480M 01 C 24 682.60 108 304 324 162 P24 483 796 836 - 188 4 M42 1 3/4'' 1092 304 73 965 402 480
INFO 480 02 B 480M 2313 4419 230 360 698.50 223.0 119.1 119.1 648 17 33 263 02 C 480M 02 C 45 762.00 146 338 374 272 P45 552 792 832 115 280 8 M36 1 1/2'' 1270 368 76 1110 690 480
INFO 480 03X B 480M 3771 6186 309 340 800.10 300.0 187.4 187.4 715 26 56 630 03X C 480M 03X C 71 914.40 235 476 482 740 P71 660 908 960 178 362 8 M48 2'' 1574 470 108 1320 1330 480
INFO 500 01 B 500M 1213 2593 138 360 654.05 168.0 80.2 80.2 618 11 23 136 01 C 500M 01 C25 717.60 114 304 330 192 P25 489 824 864 - 216 4 M42 1 3/4'' 1092 304 76 980 402 500
INFO 500 02 B 500M 2430 4776 244 340 717.55 226.0 115.9 115.9 670 17 30 272 02 C 500M 02 C 46 787.40 146 350 374 323 P46 572 824 864 115 280 8 M36 1 1/2'' 1296 368 80 1145 677 500
INFO 500 03 B 500M 4087 7042 347 310 850.90 300.0 187.4 187.4 765 26 56 730 03 C 500M 03 C 94 958.90 204 495 508 770 P94 622 914 966 165 242 8 M56 2 1/4'' 1600 406 102 1340 1000 500
INFO 530 01 B 530M 1253 2755 141 340 692.15 168.0 81.0 81.0 650 11 23 164 01 C 530M 01 C 26 755.70 114 330 336 226 P26 533 884 924 - 206 4 M42 1 3/4'' 1194 304 80 1065 495 530
INFO 530 02 B 530M 2658 5137 258 330 762.00 229.0 119.1 119.1 710 18 27 309 02 C 530M 02 C 47 831.90 150 350 374 351 P47 591 870 910 114 280 8 M36 1 1/2'' 1398 368 83 1180 905 530
INFO 530 03 B 530M 4087 7042 347 310 850.90 300.0 187.4 187.4 765 26 56 730 03 C 530M 03 C 94 958.90 204 495 508 770 P94 622 914 966 165 242 8 M56 2 1/4'' 1600 406 102 1340 1000 530
INFO 560 01 B 560M 1294 2916 142 330 717.55 168.0 81.0 81.0 675 11 23 178 01 C 560M 01 C27 781.10 114 336 342 252 P27 552 916 956 - 206 4 M42 1 3/4'' 1220 304 83 1110 570 560
INFO 560 02 B 560M 2790 5556 272 310 793.75 233.0 122.2 122.2 738 18 30 336 02 C 560M 02 C 48 866.80 152 356 380 379 P48 616 904 956 114 280 8 M42 1 3/4'' 1422 382 86 1230 965 560
INFO 560 03E B 560M 4669 8511 383 280 863.60 310.0 196.9 196.9 800 28 56 635 03E C 560M 03E C 94 958.90 204 490 490 671 P94 622 914 966 165 242 8 M56 2 1/4'' 1600 406 102 1340 1000 560
INFO 580 01 B 580M 1387 3138 144 310 749.30 172.0 84.1 84.1 706 11 25 195 01 C 580M 01 C 28 816.00 120 342 348 273 P28 578 857 896 102 220 8 M36 1 1/2'' 1346 304 90 1156 630 580
INFO 580 02 B 580M 2336 4836 227 300 812.80 232.0 119.1 119.1 754 16 37 340 02 C 580M 02 C 49 882.70 152 356 380 386 P49 635 932 984 115 280 8 M42 1 3/4'' 1448 382 90 1270 1000 580
INFO 600 01 B 600M 1431 3311 147 300 774.70 172.0 84.1 84.1 732 11 25 210 01 C 600M 01 C 29 841.40 120 342 348 290 P29 597 888 928 105 220 8 M36 1 1/2'' 1372 304 90 1200 630 600
INFO 600 02 B 600M 2905 5992 300 290 838.20 214.0 119.1 119.1 786 18 27 381 02 C 600M 02 C 50 914.40 152 388 394 454 P50 673 984 1036 114 280 8 M42 1 3/4'' 1524 382 92 1345 1050 600
INFO 600 03E B 600M 4887 9130 400 270 890.00 310.0 184.0 184.0 826 27 47 680 03E C 600M 03E C 95 990.00 204 490 490 720 P95 622 914 966 165 242 8 M56 2 1/4'' 1600 406 102 1340 930 600
2026 European Bearing Company, Ltd